
Stocked parts for the Regency U45-2 gas stove are listed below
Call for availability of other parts 800-522-8216




Regency U45-2 Freestanding Gas Stove Wiring Diagram
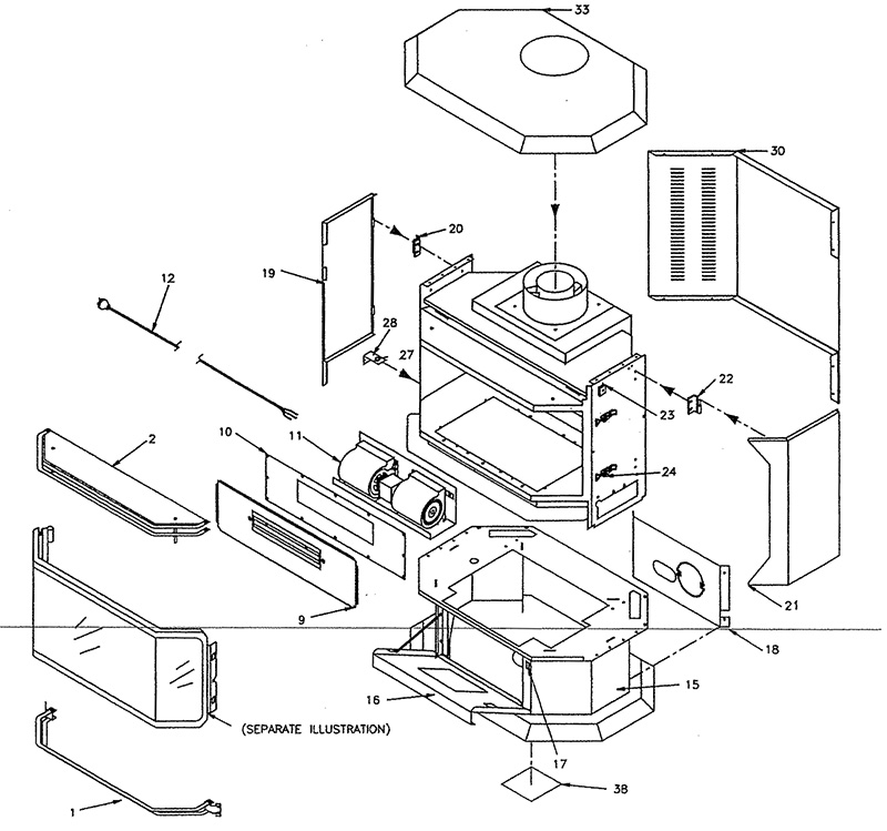
Regency U45-2 Freestanding Gas Stove Parts List

Stocked parts for the Regency U45-2 gas stove are listed below
Call for availability of other parts 800-522-8216




We use cookies to ensure the basic functionality of this website and to improve your experience. Essential cookies are required for the site to operate (e.g., your shopping cart and session). Analytics cookies help us understand how visitors use our site. Learn more.