
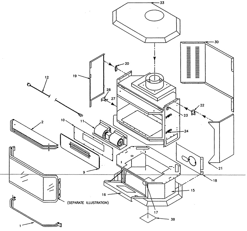
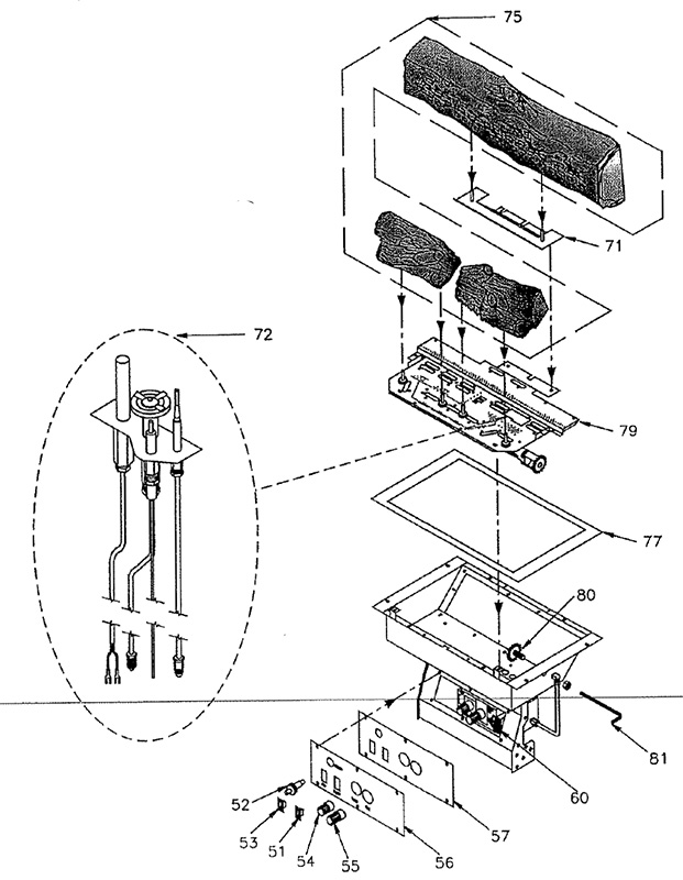
Stocked parts for the Regency U29 and U45 gas stoves are listed below
Call for availability of other parts 800-522-8216








Regency U29 Freestanding Gas Stove Wiring Diagram
Regency U29 Freestanding Gas Stove Parts List

Stocked parts for the Regency U29 and U45 gas stoves are listed below
Call for availability of other parts 800-522-8216








We use cookies to ensure the basic functionality of this website and to improve your experience. Essential cookies are required for the site to operate (e.g., your shopping cart and session). Analytics cookies help us understand how visitors use our site. Learn more.