
Stocked parts for the Regency P90E-11 gas insert are listed below
Call for availability of other parts 800-522-8216





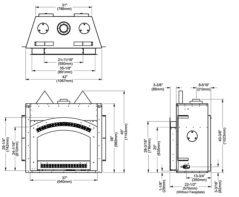
Regency P90E-11 Gas Insert Owner's Manual
Regency P90E-11 Gas Insert Wiring Diagram
Regency P90E-11 Gas Insert Parts List

Stocked parts for the Regency P90E-11 gas insert are listed below
Call for availability of other parts 800-522-8216





Regency P90E-11 Gas Insert Owner's Manual
We use cookies to ensure the basic functionality of this website and to improve your experience. Essential cookies are required for the site to operate (e.g., your shopping cart and session). Analytics cookies help us understand how visitors use our site. Learn more.