
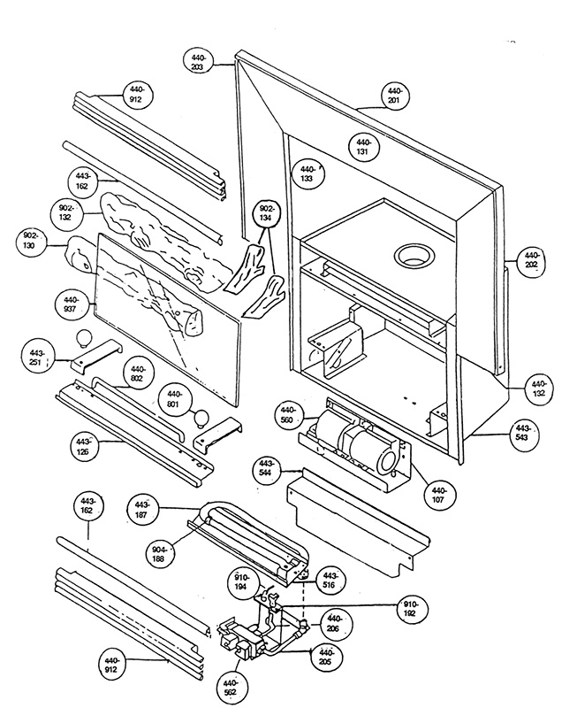
Stocked parts for the Regency GR44 gas stove are listed below
Call for availability of other parts 800-522-8216


Regency GR44 Gas Insert Parts List

Stocked parts for the Regency GR44 gas stove are listed below
Call for availability of other parts 800-522-8216


We use cookies to ensure the basic functionality of this website and to improve your experience. Essential cookies are required for the site to operate (e.g., your shopping cart and session). Analytics cookies help us understand how visitors use our site. Learn more.